Jaguar Xjs Tachometer Not Working . Or will the used parts i got work? The tach in my 1989 xjs convertible stopped working. The tach on my 1989 xjs convertible stopped working. To all fellow jag owners suffering from tachometer (tach) issues with their antique smith gauges. The drop happens at the 1 minute mark in the video. The tach stopped working right before i put this car away 3. I unplugged the lead from the ignition amplifier and tested the lead. There are lots of posts in. It is either due to a bad connection at the instrument cluster or possibly a failed tachometer gauge. I unplugged the lead that powers it from the amplifier and had continuity to ground. I have now determined that i have continuity from the white/blue wire connection at the ignition amp, all the way to the stud on the.
from www.jaguarforums.com
The tach stopped working right before i put this car away 3. Or will the used parts i got work? The tach on my 1989 xjs convertible stopped working. I unplugged the lead that powers it from the amplifier and had continuity to ground. The tach in my 1989 xjs convertible stopped working. I have now determined that i have continuity from the white/blue wire connection at the ignition amp, all the way to the stud on the. The drop happens at the 1 minute mark in the video. There are lots of posts in. It is either due to a bad connection at the instrument cluster or possibly a failed tachometer gauge. To all fellow jag owners suffering from tachometer (tach) issues with their antique smith gauges.
1990 Jaguar XJS Irregular Tachometer Rough Running Jaguar Forums
Jaguar Xjs Tachometer Not Working I have now determined that i have continuity from the white/blue wire connection at the ignition amp, all the way to the stud on the. Or will the used parts i got work? I have now determined that i have continuity from the white/blue wire connection at the ignition amp, all the way to the stud on the. To all fellow jag owners suffering from tachometer (tach) issues with their antique smith gauges. The tach in my 1989 xjs convertible stopped working. The tach stopped working right before i put this car away 3. The drop happens at the 1 minute mark in the video. I unplugged the lead that powers it from the amplifier and had continuity to ground. The tach on my 1989 xjs convertible stopped working. There are lots of posts in. I unplugged the lead from the ignition amplifier and tested the lead. It is either due to a bad connection at the instrument cluster or possibly a failed tachometer gauge.
From www.jaguarforums.com
1990 Jaguar XJS Irregular Tachometer Rough Running Jaguar Forums Jaguar Xjs Tachometer Not Working It is either due to a bad connection at the instrument cluster or possibly a failed tachometer gauge. The drop happens at the 1 minute mark in the video. I unplugged the lead that powers it from the amplifier and had continuity to ground. The tach in my 1989 xjs convertible stopped working. To all fellow jag owners suffering from. Jaguar Xjs Tachometer Not Working.
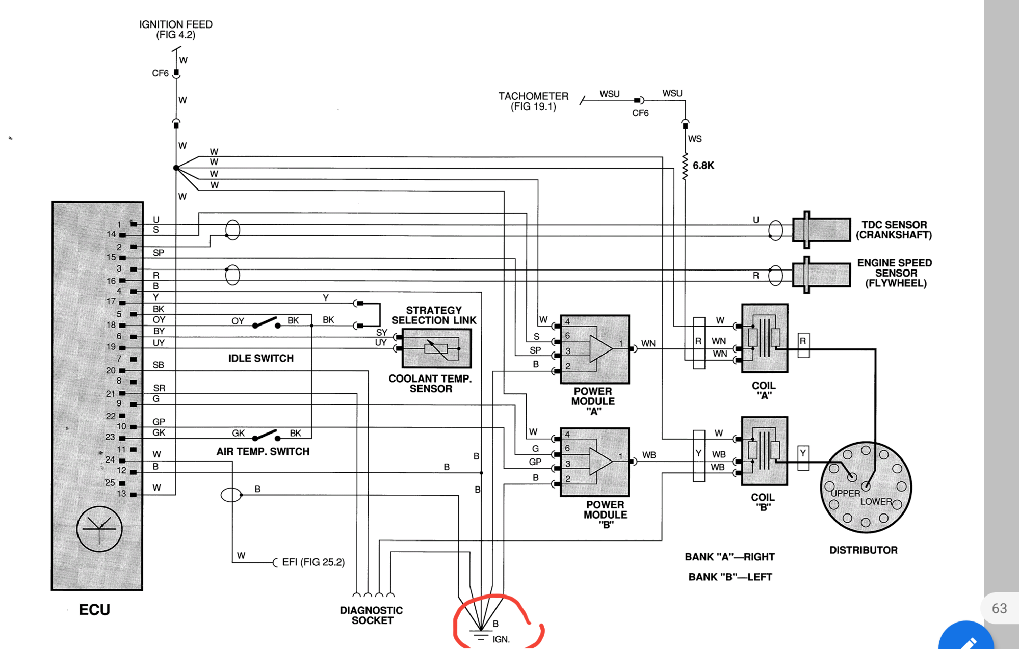
From wirewiringhertzog.z19.web.core.windows.net
Auto Tachometer Wiring Diagram Jaguar Xjs Tachometer Not Working The tach on my 1989 xjs convertible stopped working. I unplugged the lead that powers it from the amplifier and had continuity to ground. I unplugged the lead from the ignition amplifier and tested the lead. The tach stopped working right before i put this car away 3. Or will the used parts i got work? It is either due. Jaguar Xjs Tachometer Not Working.
From forums.jag-lovers.com
1989 xjs instrument wiring schematic XJS Jaglovers Forums Jaguar Xjs Tachometer Not Working Or will the used parts i got work? I unplugged the lead that powers it from the amplifier and had continuity to ground. There are lots of posts in. The tach in my 1989 xjs convertible stopped working. It is either due to a bad connection at the instrument cluster or possibly a failed tachometer gauge. The tach stopped working. Jaguar Xjs Tachometer Not Working.
From forum.classiccougarcommunity.com
68 XR7 Ignition wiring issue Classic Cougar Maintenance Restoration Jaguar Xjs Tachometer Not Working I unplugged the lead that powers it from the amplifier and had continuity to ground. The tach on my 1989 xjs convertible stopped working. It is either due to a bad connection at the instrument cluster or possibly a failed tachometer gauge. To all fellow jag owners suffering from tachometer (tach) issues with their antique smith gauges. The tach stopped. Jaguar Xjs Tachometer Not Working.
From www.carparts.com
What is a Tachometer? Types, Replacement Cost, and More In The Garage Jaguar Xjs Tachometer Not Working The tach on my 1989 xjs convertible stopped working. The tach in my 1989 xjs convertible stopped working. There are lots of posts in. It is either due to a bad connection at the instrument cluster or possibly a failed tachometer gauge. I unplugged the lead that powers it from the amplifier and had continuity to ground. The drop happens. Jaguar Xjs Tachometer Not Working.
From wiringdiagram.2bitboer.com
jaguar xj6 wiring diagram Wiring Diagram Jaguar Xjs Tachometer Not Working I unplugged the lead that powers it from the amplifier and had continuity to ground. The tach on my 1989 xjs convertible stopped working. To all fellow jag owners suffering from tachometer (tach) issues with their antique smith gauges. The drop happens at the 1 minute mark in the video. It is either due to a bad connection at the. Jaguar Xjs Tachometer Not Working.
From www.youtube.com
How To Remove Gauges from Jaguar XJ6 Series 3 YouTube Jaguar Xjs Tachometer Not Working The tach stopped working right before i put this car away 3. The drop happens at the 1 minute mark in the video. I unplugged the lead from the ignition amplifier and tested the lead. The tach on my 1989 xjs convertible stopped working. The tach in my 1989 xjs convertible stopped working. I have now determined that i have. Jaguar Xjs Tachometer Not Working.
From www.ebay.pl
Jaguar XJS Tachometer Zaehlwerks ReparaturAngebot eBay Jaguar Xjs Tachometer Not Working To all fellow jag owners suffering from tachometer (tach) issues with their antique smith gauges. The drop happens at the 1 minute mark in the video. The tach stopped working right before i put this car away 3. The tach in my 1989 xjs convertible stopped working. It is either due to a bad connection at the instrument cluster or. Jaguar Xjs Tachometer Not Working.
From erikajpinkston.blob.core.windows.net
Tach Not Working On Boat at erikajpinkston blog Jaguar Xjs Tachometer Not Working There are lots of posts in. I unplugged the lead that powers it from the amplifier and had continuity to ground. Or will the used parts i got work? The tach stopped working right before i put this car away 3. I have now determined that i have continuity from the white/blue wire connection at the ignition amp, all the. Jaguar Xjs Tachometer Not Working.
From picclick.co.uk
JAGUAR XJ6 19791987 Tachometer Rev Counter RPM Gauge Smiths RVC 2010 Jaguar Xjs Tachometer Not Working The tach stopped working right before i put this car away 3. I unplugged the lead from the ignition amplifier and tested the lead. To all fellow jag owners suffering from tachometer (tach) issues with their antique smith gauges. It is either due to a bad connection at the instrument cluster or possibly a failed tachometer gauge. I unplugged the. Jaguar Xjs Tachometer Not Working.
From picclick.de
JAGUAR XJ V12 Electronic Rev Counter / Tachometer EUR 102,64 PicClick DE Jaguar Xjs Tachometer Not Working Or will the used parts i got work? The drop happens at the 1 minute mark in the video. I unplugged the lead that powers it from the amplifier and had continuity to ground. I have now determined that i have continuity from the white/blue wire connection at the ignition amp, all the way to the stud on the. The. Jaguar Xjs Tachometer Not Working.
From www.justanswer.com
What controls fuel mixture, sends signal to tach, controls timing, my Jaguar Xjs Tachometer Not Working To all fellow jag owners suffering from tachometer (tach) issues with their antique smith gauges. The tach stopped working right before i put this car away 3. The tach on my 1989 xjs convertible stopped working. I unplugged the lead from the ignition amplifier and tested the lead. It is either due to a bad connection at the instrument cluster. Jaguar Xjs Tachometer Not Working.
From www.jaguarforums.com
1990 Jaguar XJS Irregular Tachometer Rough Running Jaguar Forums Jaguar Xjs Tachometer Not Working The tach stopped working right before i put this car away 3. I have now determined that i have continuity from the white/blue wire connection at the ignition amp, all the way to the stud on the. To all fellow jag owners suffering from tachometer (tach) issues with their antique smith gauges. There are lots of posts in. I unplugged. Jaguar Xjs Tachometer Not Working.
From www.myxxgirl.com
Jaguar Xjs Wiring Diagram K Wallpapers Review My XXX Hot Girl Jaguar Xjs Tachometer Not Working I have now determined that i have continuity from the white/blue wire connection at the ignition amp, all the way to the stud on the. The drop happens at the 1 minute mark in the video. The tach on my 1989 xjs convertible stopped working. I unplugged the lead from the ignition amplifier and tested the lead. There are lots. Jaguar Xjs Tachometer Not Working.
From www.jaguarforums.com
1990 Jaguar XJS Irregular Tachometer Rough Running Jaguar Forums Jaguar Xjs Tachometer Not Working The drop happens at the 1 minute mark in the video. I unplugged the lead from the ignition amplifier and tested the lead. Or will the used parts i got work? I unplugged the lead that powers it from the amplifier and had continuity to ground. The tach on my 1989 xjs convertible stopped working. I have now determined that. Jaguar Xjs Tachometer Not Working.
From picclick.fr
JAGUAR XJ V12 Electronic Rev Counter / Tachometer EUR 102,66 PicClick FR Jaguar Xjs Tachometer Not Working Or will the used parts i got work? To all fellow jag owners suffering from tachometer (tach) issues with their antique smith gauges. There are lots of posts in. I have now determined that i have continuity from the white/blue wire connection at the ignition amp, all the way to the stud on the. The drop happens at the 1. Jaguar Xjs Tachometer Not Working.
From picclick.fr
JAGUAR XJ V12 Electronic Rev Counter / Tachometer Smiths EUR 155,52 Jaguar Xjs Tachometer Not Working To all fellow jag owners suffering from tachometer (tach) issues with their antique smith gauges. There are lots of posts in. It is either due to a bad connection at the instrument cluster or possibly a failed tachometer gauge. The tach stopped working right before i put this car away 3. The drop happens at the 1 minute mark in. Jaguar Xjs Tachometer Not Working.
From www.ebay.com
OEM Jaguar XJ XJ6 SMITHS Tachometer Tach RPM Gauge RVC 2610/01AF 12V Jaguar Xjs Tachometer Not Working There are lots of posts in. The tach stopped working right before i put this car away 3. The tach in my 1989 xjs convertible stopped working. I have now determined that i have continuity from the white/blue wire connection at the ignition amp, all the way to the stud on the. It is either due to a bad connection. Jaguar Xjs Tachometer Not Working.